





크로스는 한 번의 연결에 4 개의 오프닝이있는 파이프 피팅 유형입니다. 피팅은 십자가처럼 보이며 4 개의 다른 파이프를 한 지점으로 연결합니다. 일반적으로 용매 용 소켓 또는 암컷 스레드 엔드가 있습니다.
Equal Cross Fitting은 직경이 동일한 4 개의 개구부와 동일한 직경의 4 개의 파이프에 연결하는 십자가입니다.
크로스 파이프 피팅은 파이프를 연결하고 배관 시스템을 통한 교체 또는 제어 흐름을 연결하는 데 사용됩니다. 차원은 강도와 안정성을 결정하는 데 중요한 역할을합니다. 동일한 크기의 파이프가 연결되고 유체가 한 방향으로 흐르면 세 방향으로 나뉩니다. 크로스 파이프 피팅은 유체가 3 방향으로 흐르고 한 방향으로 이동할 때 큰 압력 문제가 발생합니다.
크로스 파이프 피팅은 온도가 4 방향 특성으로 인해 변화함에 따라 파이프를 스트레스 할 수 있습니다. 따라서 크로스 파이프는 일반적으로 파이프 라인 유압 부품으로 사용되지 않습니다. 반대로, 열 확장이 문제가되지 않는 경우, 교차 적합성은 더 유리합니다.
소개
| 동등한 십자가 | |
| 목 | 스테인레스 스틸과 같은 십자가 |
| 기준 | ASME : ANSI B16.9, ANSI B16.28, MSS-SP-43 EN : EN10253-1, EN10253-2 DIN : DIN2605, DIN2615, DIN2616, DIN2617, DIN28011 ASME B16.25- 엉덩이 용접 엔드 ASME B16.28- 단조 강철 짧은 반경 팔꿈치 및 엉덩이 용접 반환 MSS SP-43 부식성, 저압 응용 분야를위한 제작 및 단단한 엉덩이 용기 피팅 가공 오스테 나이트 스테인레스 스틸 배관 피팅에 대한 ASTM A403-ASME SA403- 특성 ASME B16.9- 루크 피팅 엉덩이 용접 |
| 재료 | 스테인레스 스틸, 합금강, 이중, 니켈 합금, 저온 강철, 탄소강 등 |
| 표면 | 어닐링 및 절인, 뜨거운 딥 아연 도금, 전기 광택, 투명한 오일, 아연 판, 검은 페인트, 바니시 |
| 유형 | 밀고, 누르기, 위조, 캐스트 등 |
| 크기 | ½ "-48" |
| 배달 시간 | 선불을받은 후 5-30 일 이내에 |
| 포장 | 줄무늬가있는 상자 팔레트 또는 항해가 가능한 목재 케이스에 수축 |
| 애플리케이션 | 파이프 및 튜브를 석유, 전력, 화학, 건축, 가스, 야금, 조선 등으로 연결하는 피팅. |
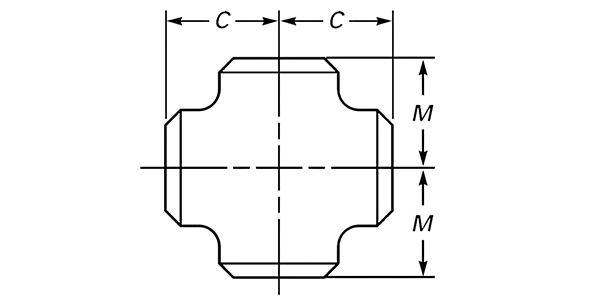
| 공칭 파이프 크기 | 공칭 파이프 크기 | 종료 중심 (안에.) | |
| NPS | (in.) | 실행, c | 아울렛, m |
| ½ | 0.84 | 1.00 | 1.00 |
| ¾ | 1.05 | 1.12 | 1.12 |
| 1 | 1.32 | 1.50 | 1.50 |
| 1¼ | 1.66 | 1.88 | 1.88 |
| 1½ | 1.90 | 2.25 | 2.25 |
| 2 | 2.38 | 2.50 | 2.50 |
| 2½ | 2.88 | 3.00 | 3.00 |
| 3 | 3.50 | 3.38 | 3.38 |
| 3½ | 4.00 | 3.75 | 3.75 |
| 4 | 4.50 | 4.12 | 4.12 |
| 5 | 5.56 | 4.88 | 4.88 |
| 6 | 6.62 | 5.62 | 5.62 |
| 8 | 8.62 | 7.00 | 7.00 |
| 10 | 10.75 | 8.50 | 8.50 |
| 12 | 12.75 | 10.00 | 10.00 |
| 14 | 14.00 | 11.00 | 11.00 |
| 16 | 16.00 | 12.00 | 12.00 |
| 18 | 18.00 | 13.50 | 13.50 |
| 20 | 20.00 | 15.00 | 15.00 |
| 22 | 22.00 | 16.50 | 16.50 |
| 24 | 24.00 | 17.00 | 17.00 |
| 26 | 26.00 | 19.50 | 19.50 |
| 28 | 28.00 | 20.50 | 20.50 |
| 30 | 30.00 | 22.00 | 22.00 |
| 32 | 32.00 | 23.50 | 23.50 |
| 34 | 34.00 | 25.00 | 25.00 |
| 36 | 36.00 | 26.50 | 26.50 |
| 38 | 38.00 | 28.00 | 28.00 |
| 40 | 40.00 | 29.50 | 29.50 |
| 42 | 42.00 | 30.00 | 28.00 |
| 44 | 44.00 | 32.00 | 30.00 |
| 46 | 46.00 | 33.50 | 31.50 |
| 48 | 48.00 | 35.00 | 33.00 |
2007 년에 설립되어 2022 년 130,000 평방 미터, 30 개 이상의 생산 라인, 300 명의 근로자, 20 명의 R & D 인, 30 명의 검사인 및 50,000 톤의 연간 출력 면적을 포함합니다.
ISO9001 : 2008 품질 관리 시스템, PED 97/23/EU 압력 장비 지침 지침 인증, 중국 특수 장비 제조 라이센스 (압력 튜브) TS 인증, ASME 인증, 지방 엔터프라이즈 표준화 관리 시스템, ISO14000 : 2004 환경 관리 시스템, 청정 기업 생산 (Green Enterprise) 및 시리즈의 인증 (CC), ABCS) 배송 (LR), 도이치 베리타스 (GL), Bureau Veritas Society (BV), Det Norske Veritas (DNV) 및 KR (Korean Register of Shipping) 공장 인증.
주요 제품에는 석유, 화학 산업, 원자력 산업, 제련, 조선, 제약, 식품, 수자원 보존, 전력, 새로운 에너지, 기계 장비 및 기타 필드에서 널리 사용되는 스테인레스 스틸 파이프, 파이프 피팅, 플랜지, 밸브 등이 있습니다. 이 회사는 "생존을위한 품질, 개발에 대한 명성"이라는 회사 교리를 준수하고 모든 고객에게 상생 상황을 창출하는 데 진심으로 서비스를 제공합니다.





가스 인프라에는 누출, 부식 실패, 압력 문제 없이 타협 없이 성능을 발휘하는 자재가 필요합니다. 스테인레스 스틸 파이프는 주거용 설치부터 대규모 산업용 파이프라인에 이르기까지 가스 분배 시스템을 위한 가장 신뢰할 수 있는 선택 중 하나로 자리매김했습니다. 그러나 올바른 등급, 유형 및 구성을 선택하려면 사양서를 선택하는 것보다 더 많은 것이 필...
더보기우리는 이번 참여의 성공적인 결론을 발표하게 되어 매우 기쁩니다. 튜브 2026 2026년 4월 13일부터 17일까지 독일 메세 뒤셀도르프에서 열리는 세계 최고의 튜브 및 파이프 기술 무역 박람회입니다. 전 세계 배관 산업에서 가장 영향력 있는 행사 중 하나인 Tube 2026에는 50개국 이상에서 1,200개 이상의 전시업체가 모였으며 ...
더보기코일 튜브 기술은 현대 석유 및 가스 산업에서 가장 필수적인 도구 중 하나가 되었습니다. 유정 개입, 자극 또는 시추 등 코일 튜브 회사는 탄화수소 생산을 효율적으로 유지하는 중요한 서비스를 제공합니다. 주요 주체가 누구인지, 그리고 이들의 운영을 가능하게 하는 재료가 무엇인지 이해하는 것은 에너지 부문의 엔지니어, 조달 팀 및 공급망 관리자에게...
더보기우리는 당신의 이메일 주소와 당신을 공유하지 않을 것입니다
우리는 언제든지 선택할 수 있다고 약속합니다.