






스레드 커플 링에는 직선 채널과 내부 스레드 연결이 있습니다. 이들은 많은 산업의 배관 시스템에 적합하며 파이프를 확장하거나 파이프를 연결하거나 내부 와이어 조인트의 직선 채널을 통해 다른 액세서리와 연결하여 유체가 조인트를 원활하게 통과 할 수 있도록합니다.
탄소, 아연 도금, 스테인리스 또는 검은 색과 같은 많은 종류의 강철로 제조 될 수 있습니다. 스테인레스 스틸은 우수한 내식성 및 고온 저항을 가지며 다양한 매체의 운송 및 제어에 적합하기 때문에 최고의 재료로 간주되며 널리 사용됩니다.
다른 파이프 피팅 커넥터와 달리 매우 유연하고 조절 가능합니다. 스테인리스 스틸 스레드 커플 링에는 일반적으로 실이 있으며 파이프 또는 파이프의 나사산 부분과 짝을 이루어 고정 및 연결을 달성하는 데 사용됩니다.
스테인리스 스틸 스레드 커플 링은 특정 요구 사항 및 응용 프로그램을 기반으로 크기가 있습니다. 일반적인 사양에는 재료 등급, 스레드 유형, 스레드 크기, 파이프 직경, 길이 및 표면 처리 등이 포함됩니다. 배관 시스템의 설계 및 요구 사항에 따라 타이트하고 안정적인 연결 효과를 얻으려면 적절한 크기를 선택합니다. .
소개
| 목 | 스테인리스 스틸 스레드 커플 링 |
| 기준 | ANSI B16.11, MSS SP 97, MSS SP 95, MSS SP 83, BS3799, ASTM A733 등 |
| 재료 | SS201, SS304/CF8, SS316/CF8M 등 |
| 표면 | CNC 가공, 방지 오일, 브러시 |
| 유형 | 깁스 |
| 크기 | DN6-100 |
| 배달 시간 | 선불을받은 후 5-30 일 이내에 |
| 포장 | 팔레트/합판 케이스 |
| 애플리케이션 | 석유 화학 산업; 항공 및 항공 우주 산업; 제약 산업, 가스 배기; 발전소; 선박 건물; 수처리 등 |
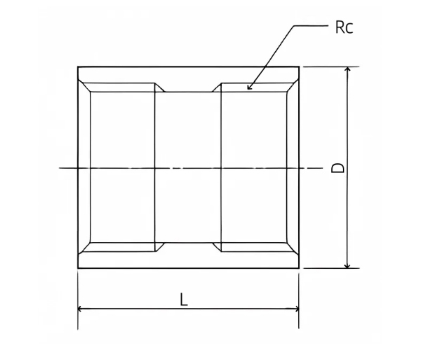
| 크기 | 실 | 크기 (mm) | ||
| A (MM) | 큰 상자) | RC | 디 | 엘 |
| 6 | 1/8 | RC 1/8 | 15 | 23 |
| 8 | 1/4 | RC 1/4 | 19 | 29 |
| 10 | 3/8 | RC 3/8 | 22 | 30 |
| 15 | 1/2 | RC 1/2 | 27 | 36.5 |
| 20 | 3/4 | RC 3/4 | 33 | 38.5 |
| 25 | 1 | RC 1 | 40 | 43.5 |
| 32 | 1 1/4 | RC 1 1/4 | 49 | 49.5 |
| 40 | 1 1/2 | RC 1 1/2 | 55.5 | 52.5 |
| 50 | 2 | RC 2 | 68 | 62.5 |
| 65 | 2 1/2 | RC 2 1/2 | 83 | 73 |
| 80 | 3 | RC 3 | 97 | 81 |
| 100 | 4 | RC 4 | 125 | 93 |
2007 년에 설립되어 2022 년 130,000 평방 미터, 30 개 이상의 생산 라인, 300 명의 근로자, 20 명의 R & D 인, 30 명의 검사인 및 50,000 톤의 연간 출력 면적을 포함합니다.
ISO9001 : 2008 품질 관리 시스템, PED 97/23/EU 압력 장비 지침 지침 인증, 중국 특수 장비 제조 라이센스 (압력 튜브) TS 인증, ASME 인증, 지방 엔터프라이즈 표준화 관리 시스템, ISO14000 : 2004 환경 관리 시스템, 청정 기업 생산 (Green Enterprise) 및 시리즈의 인증 (CC), ABCS) 배송 (LR), 도이치 베리타스 (GL), Bureau Veritas Society (BV), Det Norske Veritas (DNV) 및 KR (Korean Register of Shipping) 공장 인증.
주요 제품에는 석유, 화학 산업, 원자력 산업, 제련, 조선, 제약, 식품, 수자원 보존, 전력, 새로운 에너지, 기계 장비 및 기타 필드에서 널리 사용되는 스테인레스 스틸 파이프, 파이프 피팅, 플랜지, 밸브 등이 있습니다. 이 회사는 "생존을위한 품질, 개발에 대한 명성"이라는 회사 교리를 준수하고 모든 고객에게 상생 상황을 창출하는 데 진심으로 서비스를 제공합니다.





가스 인프라에는 누출, 부식 실패, 압력 문제 없이 타협 없이 성능을 발휘하는 자재가 필요합니다. 스테인레스 스틸 파이프는 주거용 설치부터 대규모 산업용 파이프라인에 이르기까지 가스 분배 시스템을 위한 가장 신뢰할 수 있는 선택 중 하나로 자리매김했습니다. 그러나 올바른 등급, 유형 및 구성을 선택하려면 사양서를 선택하는 것보다 더 많은 것이 필...
더보기우리는 이번 참여의 성공적인 결론을 발표하게 되어 매우 기쁩니다. 튜브 2026 2026년 4월 13일부터 17일까지 독일 메세 뒤셀도르프에서 열리는 세계 최고의 튜브 및 파이프 기술 무역 박람회입니다. 전 세계 배관 산업에서 가장 영향력 있는 행사 중 하나인 Tube 2026에는 50개국 이상에서 1,200개 이상의 전시업체가 모였으며 ...
더보기코일 튜브 기술은 현대 석유 및 가스 산업에서 가장 필수적인 도구 중 하나가 되었습니다. 유정 개입, 자극 또는 시추 등 코일 튜브 회사는 탄화수소 생산을 효율적으로 유지하는 중요한 서비스를 제공합니다. 주요 주체가 누구인지, 그리고 이들의 운영을 가능하게 하는 재료가 무엇인지 이해하는 것은 에너지 부문의 엔지니어, 조달 팀 및 공급망 관리자에게...
더보기우리는 당신의 이메일 주소와 당신을 공유하지 않을 것입니다
우리는 언제든지 선택할 수 있다고 약속합니다.